Sign In | Join Free | My china-telecommunications.com
China Tianjin Estel Electronic Science and Technology Co.,Ltd logo
Tianjin Estel Electronic Science and Technology Co.,Ltd
TIANJIN ESTEL ELECTRONIC SCIENCE AND TECHNOLOGY CO.,LTD (ESTEL(GUANGDONG) TECHNOLOGY CO., LTD) We are the professoinal supplier of outdoor telecom cabinet, air conditioner, heat exchanger, and telecom
Verified Supplier

10 Years

Home > Telecom Rectifier System >

Customizable Indoor Power Distribution Cabinet For Data Centers And Power Supply Stations Grid

Tianjin Estel Electronic Science and Technology Co.,Ltd
Trust Seal
Verified Supplier
Credit Check
Supplier Assessment
Contact Now

Customizable Indoor Power Distribution Cabinet For Data Centers And Power Supply Stations Grid

Brand Name : ESTEL

Model Number : ET6060200D

Certification : ISO9001, CE, UL, FCC

Place of Origin : China

MOQ : 1PC

Payment Terms : T/T, L/C, D/A, D/P, Western Union, MoneyGram

Supply Ability : 1800PCS per month

Delivery Time : 15 to 20 days

Packaging Details : Wooden Case with Pallet

External Dimension : W×D×H 600×600×2000mm

Material : Cold rolled steel, 1.0mm

User space : 42U 19" rack

Color : RAL7035

IP Level : IP21

Door : One front door

Accessories : MCCB, MCB, SPD, meters(voltage and current), diodes, copper busbar, cable, breaker deadfront cover etc

Cable Entry : On the bottom

Input voltage : DC48V

Application : Utility

Price : 715-4286 usd

Contact Now

Customizable Indoor Power Distribution Cabinet For Data Centers And Power Supply Stations Grid


1. Application


Power distribution cabinet is an important facility responsible for power distribution, control and protection in the power system, mainly used in power grids, power supply stations, industrial plants, data centers, shopping malls and large buildings, hospitals and schools.

2. Features and advantages

(1) Flexible and diverse
It can be customized according to the actual needs of users, including cabinet size, electrical component configuration, wiring methods, etc., which can be adjusted to meet the requirements of different occasions.

(2) Compact structure, space saving
Modern distribution cabinet design fully considers the maximization of space utilization, adopting a modular design concept to make the cabinet structure compact and orderly. This design not only reduces the footprint, but also facilitates the installation of more electrical equipment in limited space, improving space utilization. Meanwhile, the compact structure also helps to reduce cable connection length, lower line losses, and improve system efficiency.

(3) Safe and reliable‌
The distribution cabinet is made of high-quality materials and advanced manufacturing processes, equipped with multiple protection devices, which can effectively detect and isolate circuit faults, such as circuit breakers, fuses, relays, etc., so as to timely cut off the power supply in case of overload, short circuit and other abnormal situations in the circuit, protecting equipment and personnel safety

(4)‌ Easy to maintain‌
The components and storage equipment of the distribution cabinet are easy to disassemble and replace, making maintenance and repair convenient. At the same time, the distribution cabinet can perform fault monitoring and alarm, timely detect and eliminate faults

(5) Efficient and energy-saving
The distribution cabinet adopts advanced energy-saving technology and intelligent control system to improve energy utilization and reduce energy waste

3. Configuration list

NO DESCRIPTION SPECS
1 Indoor Distribution Cabinet (1) External Dimension: W×D×H 600×600×2000mm
(2) One compartment: include 42U 19" rack
(3) With one front door(steel plate) and cabinet lock
(4) Material: cold rolled steel,single wall
(5) Color: RAL7035
(6) Including MCCB, MCB, SPD, meters(voltage and current), diodes, copper busbar, cable, breaker deadfront cover etc
(7) Package: wooden case


4. Cabinet Diagram

Customizable Indoor Power Distribution Cabinet For Data Centers And Power Supply Stations Grid


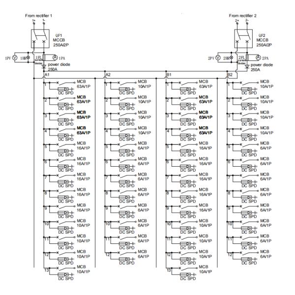
5. Electrical Schematic Diagram

Customizable Indoor Power Distribution Cabinet For Data Centers And Power Supply Stations Grid


6. Product Picture

Customizable Indoor Power Distribution Cabinet For Data Centers And Power Supply Stations Grid

Customizable Indoor Power Distribution Cabinet For Data Centers And Power Supply Stations Grid

7. Packing and Shipping

Customizable Indoor Power Distribution Cabinet For Data Centers And Power Supply Stations Grid


Product Tags:

Customizable Indoor Power Distribution Cabinet

      

Power Grid Power Distribution Cabinet

      

Data Centers Power Distribution Cabinet

      
Quality Customizable Indoor Power Distribution Cabinet For Data Centers And Power Supply Stations Grid for sale

Customizable Indoor Power Distribution Cabinet For Data Centers And Power Supply Stations Grid Images

Inquiry Cart 0
Send your message to this supplier
 
*From:
*To: Tianjin Estel Electronic Science and Technology Co.,Ltd
*Subject:
*Message:
Characters Remaining: (0/3000)